您現在的位置:主頁 > 產品中心 > 包裝機械 > 液體包裝機 >
全自動無空氣液體包裝機

設備介紹:
該全自動無空氣液體包裝機組能自動完成計量、填充制袋、打印日期、切袋等全部過程,是液體類包裝生產企業的包裝配套,設備為大型企業、中小規模企業實現了自動化,提高了各行業的生產效率,大幅降低了成本。適用于液體和帶粘性的各種食品,藥品和化學產品的包裝,包括水果沙拉,番茄醬,蜂蜜,食用油,調味劑,蔬菜汁,蓮蓉,甜豆醬等,非食品類得包括面霜,清潔劑,潤滑油,工業用糊狀物等。
系統組成:
不銹鋼轉子泵液體、膏體上料機
不銹鋼立式包裝機
不銹鋼成品輸送機
生產流程工序:
開機溫度達到恒溫→設置參數→物料倒入料斗或用管引入(機器自動從料斗吸入物料)→按設定重量自動定量下料→自動包裝機自動制袋成型 (可選配沖孔、插角、排氣等附件裝置)→填充→封合→打印日期→包裝機完成自動封切→-成品包裝經成品輸送機輸送;
主要特點:
1.全不銹鋼結構經久耐用,確保衛生
2.操作簡單,不需另請專業技術人員
3.進口PLC控制,人性化操作界面,大幅提高控制的精確性、可靠性、智能性和調整范圍
4.水平傳感器監測,易于調整袋長
5.光電開關自動精確跟蹤薄膜色標
6.能與輸送泵的速度保持一致以確保精確性
7.全自動無空氣液體包裝機采用伺服電機電機控制、雙拉膜裝置,拉膜準確無誤,從而保證制袋效果
8.多種進口優質零部件,確保了機器的高品質和高性能
9.不需要額外的排除器或抽真空裝置就能制出無空氣袋
技術參數:
包裝容量 200 – 5000g
包裝速度 5-15袋/分鐘
膜寬 350mm-520mm
袋寬 160mm-250mm
薄膜卷直徑 大300mm
膜厚 65微米-100 微米
包裝薄膜 各種可熱封復合薄膜
電源 415V/50Hz/3phase/2.5KW
耗氣量 3MPA
產品包裝后規格 1580*1380*1990(mm)
產品重量 900KG
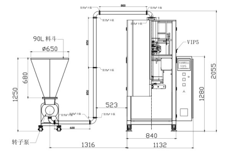
尺寸圖:

其它事項:
|
1.驗收辦法:本廠產品在出廠前必須按企業標準, 報價單內的數據作參考用。 |
|
2.付款方式: ⑴.預付30%定金; ⑵.發貨前付清65%;(3)設備到買方工廠, 調試驗收合格后付5%; |
|
3.包裝運輸:木箱包裝;物流自提。 |
|
4.訂貨日期:收到定金日起計30個工作日內交貨。 |
包裝案例展示:

